Aleph OJ-111 Opto Sensor

  • Sensing Slot Width: 5 mm

Maximum Ratings (Ta=25 °C)

Item Symbol Value
Light Emitting Side Forward Current IF 40mA
Reverse Voltage VR 3V
Power Dissipation PD 75mW
Light Receiving Side C-E Voltage VCEO 30V
E-C Voltage VECO 5V
Collector Current IC 20mA
Collector Power Dissipation PC 100mW
Operating Temperature 1 TOPR -25~+85 °C
Storage Temperature TSTG -40~+85 °C
Soldering Temperature TSOL 260 °C

1: Non Dew

 

Electrical Characteristics (Ta=25 °C)

Item Symbol Conditions Min Typ Max Unit
Light Emitting Side Forward Current VF IF=20mA 1.5 V
Reverse Voltage IR IF=5V 10 mA
Peak Wavelength lP IF=20mA 940 nm
Light Receiving Side Off-State Collector Current ICEO VCE=10V
IF=0mA
0.2 mA
Peak Wavelength lP 800 nm
Transmitting On-State Collector Current IC (on) VCE=5V
IF=20mA
0.5 2.0 15 mA
C-E Saturation Voltage VC (sat) IF=20mA
IC=400mA
0.4 V
Switching Time Rise Time tr VCC=10V 2
IF=20mA
RL=1kW
15 ms
Fall Time tf 15 ms

Note 2:

Aleph OJ-111 Interruptor Type Opto Sensor    

Mechanical Characteristics

Vibration Resistance To withstand 10~55~10Hz, 1.5mm amplitude and 1 minute sweep time in X, Y and Z directions, each for 2 hours.
Shock Resistance 294m/S2 (30G) or more.
 

Connection Diagram

Aleph OJ-111 Interruptor Type Opto Sensor
Terminal No. Signal
1 Anode
2 Cathode
3 Collector
4 Emitter
 

Detecting Position Characteristics (Reference) (IF=20mA, VCE=5V, Ta=25°C)

Aleph OJ-111 Interruptor Type Opto Sensor Aleph OJ-111 Interruptor Type Opto Sensor
Aleph OJ-111 Interruptor Type Opto Sensor
 

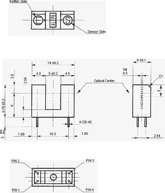
Outline Dimensions

Aleph OJ-111 Interruptor Type Opto Sensor

Tolerance: ±0.3mm

Notes:
  • 1. Please do not submit weighting not less than 0.5kgf per a terminal.
  • 2. Please be careful about a curve of a PBC.
Aleph OJ-111 Interruptor Type Opto Sensor  

Installation Hole Dimensions (Reference)

Aleph OJ-111 Interruptor Type Opto Sensor Part Side Measurement Tolerance: ±0.1mm  

Parts Construction List

No. Description Qty. Materials Remarks
1 Case 1 PBT (G15%) Flammability: UL94V-2 or more
2 Cover 1 PBT (G15%) Flammability: UL94V-2 or more
3 Light Emitting Diode 1 GaAs Infrared Light Emitting Diode
4 Emitter 1 Photo Transistor
 

Handling Notes

  1. Careful attention should be made to avoid deformation of components.
  2. Environmental air must be free from corrosive gasses such as hydrogen sulfide or salt water air.
  3. Mount sensor away from direct sunlight and incandescent light.
  4. The side with emitting and receiving elements should be handled very carefully.
  5. Do not wash sensors. Liquid may get into the case and cause damage. If you must clean the surface area, use a soft cloth damped with a washing fluid such as methanol or isopropyl alcohol.
  6. Degrading LED radiant power should be addressed if sensor is used repeatedly over a long period of time.
  7. This product was designed for use in the following applications:
    • OA equipment, video equipment, consumer electronics, communication equipment, measuring equipment, and control equipment.
    • When designing a system for safety and reliability, be sure to incorporate fail-safe and other appropriate measures.